Bastelstube
[ Erledigt] Benötige eure Hilfe bei einem Schaltplan - Druckversion

+- Bastelstube (https://www.bastelstube.wien/forum)
+-- Forum: Werkstatt (https://www.bastelstube.wien/forum/forumdisplay.php?fid=3)
+--- Forum: Kleine und große Probleme (https://www.bastelstube.wien/forum/forumdisplay.php?fid=72)
+--- Thema: [ Erledigt] Benötige eure Hilfe bei einem Schaltplan (/showthread.php?tid=6659)



[ Erledigt] Benötige eure Hilfe bei einem Schaltplan - walter - 29.08.2019

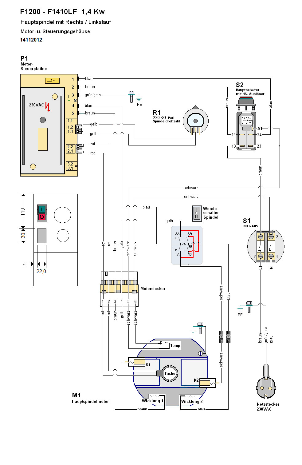
Servus Allemiteinand

Letztens habe ich mir bei Wabeco für die Fräse einen Umpolschalter gekauft; ja das gibt es wirklich noch, weil es bei den neueren Fernostfräsen überall Standard ist. Gut meine ist aus den 2003 er Jahr, da entschuldigt einiges.........

Die vorangegangenen Troubles lasse ich mal weg, inzwischen habe ich also den richtigen Schaltplan in der Hand und habe da eine Frage. Es sind im Plan so rote Linien im Umpolschalter (Weneschalterspindel) eingezeichnet, das ist also die interne Verkabelung die ich noch machen muss, oder ..........?

   

Bin etwas verunsichert weil ich eigentlich den Schalter schon fertig verkabelt bekommen habe, wie sich aber rausgestellt hat haben mir die Burschen den Schalter für die neue Platine geschickt. Jetzt muss ich komplett umbauen.

Danke schon mal für die Mitarbeit.

L.G.
Walter

Edit:
Alles gut die Maschine tut was sie soll .....Linkslauf  <-----> Rechtslauf


RE: [ Erledigt] Benötige eure Hilfe bei einem Schaltplan - Limbo - 30.08.2019

Ob der Schalter die internen Brücken hat kann man 
A: Mit Durchgangsprüfer/Ohmmeter ausklingeln.
B: bei diesem Schalter anhand der Anschlüsse abzählen. Dh. durch die inneren Brücken sind die Anschlussklemmen nicht vorhanden.

Hans