wollte eure Meinung zu meinem Versuch "ER25 Hohlspindel" hören.
Die Spindel wird mittels Zahnriemen und einer Kress Frässpindel untersetzt. Die Frässpindel dreht mir mit 10.000 min-1 zu schnell.
Also Z20 (Motor) auf Z60 (Spindel) hoffe das nennt man untersetzt.
Die beiden Lagerböcke kommen auf eine Aluprofilschiene 40x40.
Das Konstrukt bleibt offen. Als Lager will ich Dünnringlager 61804-2Z verwenden, falls doch noch eine Spindelbuchse darüberkommt.
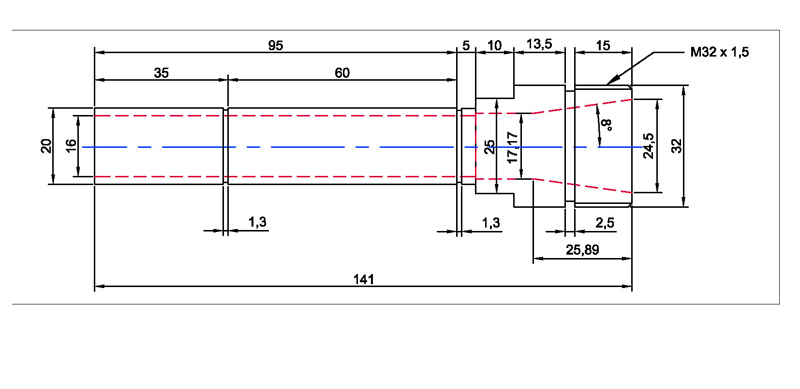
Hätte den Vorteil dass diese dann noch in eine 43mm Eurohalsaufnahme passt.
Den Durchgang brauch ich um längere Teile bis 15mm spannen zu können.
Konkret möchte ich mit dem fertigen Konstrukt meine Korkgriffe die da schon auf dem Kohlefaserblank geklebt sind schleifen.
Das geht natürlich auch auf der Drehmaschine aber die will ich mir eigentlich nicht mit Korkstaub versauen.
Das ganze wird natürlich auch mit einem Rollkörner gegen gelagert.
Hoffe ihr könnt euch etwas darunter vorstellen.
Wenns funktioniert kommt auch eine pdf dazu.
ER25 Hohlspindel.pdf (Größe: 23,09 KB / Downloads: 625)
LG
gaunki




![[Bild: Find_me_on_F.jpg]](https://www.bastelstube.wien/plexxart/facebook/Find_me_on_F.jpg)

