walter
Filmadaptionen
    
Beiträge: 5.170
Registriert seit: Aug 2007
Bewertung:
384
Adresse: 1040 Wien
|
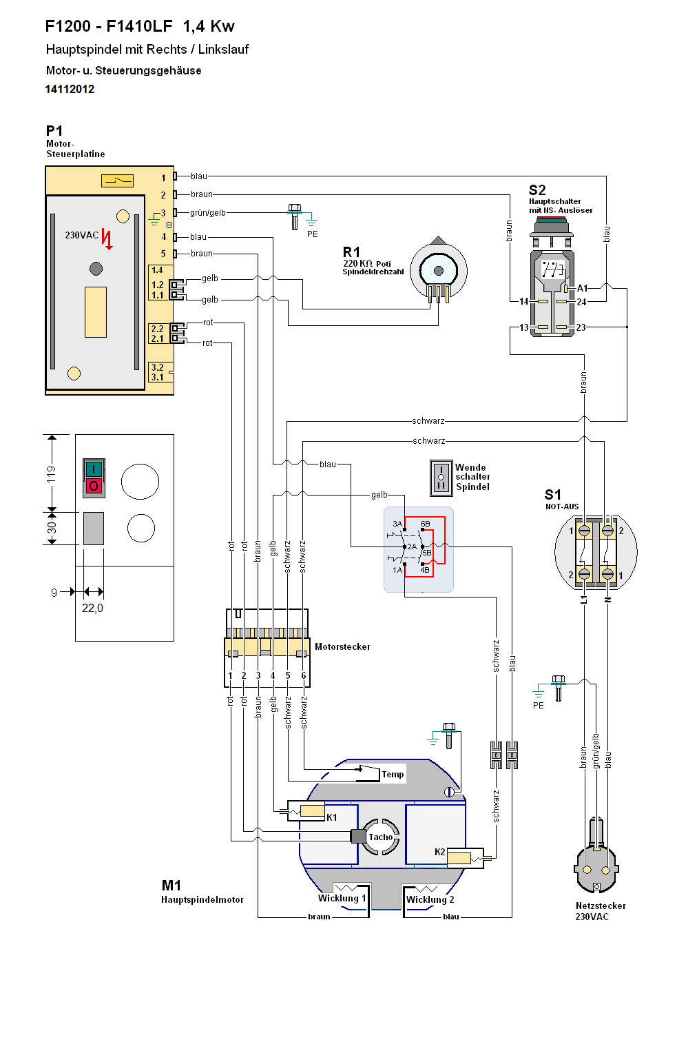
Der Fehlerteufel hat wieder mal zugeschlagen, Wabeco Platine defekt !
Servus Allemiteinand
Es ist wieder mal soweit, meine Wabecofräse hat heute beim Werkzeug Kreissägeblatt blockiert und bei neuerlichen Einschalten läuft nichts mehr.
Den Hauptschalter habe ich schon gegen den der Drehbank ausgetauscht, der ist es definitiv nicht.
Es kann also nur mehr die Steuerplatine sein, was mich nicht freut
Jetzt weiß ich daß dieser Post kaum etwas zur Verbesserung der Platine beiträgt, aber ich wollt jetzt nur mal in der Runde fragen ob es einen hier in Wien gibt der sich gut genug auf dem Gebiet der Elektronik auskennt, um die Platine mal durchzumessen.
Ein paar Bilder habe ich noch für euch
Bild aus dem Web
Bild aus dem Web
Meine Platine
Momentan ist es so dass wenn ich den Hauptschalter betätige, dann macht die Steuerung ein Klacks und dann ist nichts. Dieses Klackern kommt von den Teil ganz rechts in der Mitte (Mittleres Bild)
Morgen werde ich auch noch bei Wabeco anrufen, um nachzufragen wie es denn mit einer Ersatzplatine ausschaut.
Es bleibt spannend !
L.G.
Walter
|
|
| 16.09.2019, 16:54 |
|
wusel0464
Junior Member

Beiträge: 16
Registriert seit: Apr 2013
Bewertung:
0
Adresse: Uhlstädt-Kirchhasel 07407
|
RE: Der Fehlerteufel hat wieder mal zugeschlagen, Wabeco Platine defekt !
Hallo,
mach doch Bitte noch ein Bild von der Leiterseite der Platine. Manchmal brennen Leiterzüge bei zu viel Strom auch mal durch bevor irgendeine Sicherung anspricht.
Das Teil was ein klicken erzeugt ist ein Relais, zumindest tut es noch was.
Auf dem mittleren Bild in der Mitte ist es am Widerstand R24 auffällig schwarz.
Am besten kann vermutlich helfen der auch so eine Steuerung hat.
Noch was gefunden https://the-steamers.ch/union/index.php/...beco-1210e
Leider aus Thüringen.
Gruß Frank
|
|
| 16.09.2019, 17:07 |
|
walter
Filmadaptionen
    
Beiträge: 5.170
Registriert seit: Aug 2007
Bewertung:
384
Adresse: 1040 Wien
|
RE: Der Fehlerteufel hat wieder mal zugeschlagen, Wabeco Platine defekt !
Servus Frank
Danke für dein schnelles Feedback. Die Bilder 1 und 2 sind aus dem Web, nur Nummer 3 ist von mir. Habe es jetzt nachträglich dazu geschrieben.
Heute bin ich schon zu Hause, morgen bekommst du dein gewünschtes Bild. Auch werde ich morgen versuchen mal alle Lötstellen nachzubruzeln, vielleicht hilft es ja.
Die Steamer Seite kannte ich schon, damals mit meinem anderen Platinenproblem.
Bin auch gespannt was Wabeco mir anbieten kann.
L.G.
Walter
|
|
| 16.09.2019, 17:43 |
|
Nicolas
Posting Freak

Beiträge: 810
Registriert seit: May 2013
Bewertung:
159
Adresse: 57223 Kreuztal
|
RE: Der Fehlerteufel hat wieder mal zugeschlagen, Wabeco Platine defekt !
(16.09.2019, 20:51)Herbert1070 schrieb: [...] mit der Leiterplatte [...]
Guten Abend zusammen,
wenn Du nicht gerade mit dem Fahrrad unterwegs bist, würde ich den ganzen Kopf einpacken. Fehlersuche geht doch deutlich angenehmer, wenn man notfalls unter Last gucken und messen kann.
Viele Grüße
Nicolas
Mein Werkzeug hat hauptsächlich den Zweck, das Werkzeug für mein Werkzeug herstellen zu können.
|
|
| 16.09.2019, 20:57 |
|
walter
Filmadaptionen
    
Beiträge: 5.170
Registriert seit: Aug 2007
Bewertung:
384
Adresse: 1040 Wien
|
RE: Der Fehlerteufel hat wieder mal zugeschlagen, Wabeco Platine defekt !
Servus Allmiteinand
Vielen Dank für alle die sich hier mit Kommentaren beteiligen !!
Heute schaut die Sache schon etwas besser aus !!
Zur Information an jene die meine Gerätschaft nicht so gut kennen. Ich besitze eine Wabeco Fräse 1200 E + eine Drehbank 4000E.
Beide Maschinen haben die gleiche Elektronik samt Motor verbaut. So tue ich mir jetzt leichter bei der Fehlersuche. Heute habe ich also zu Testzwecken die Platine der Drehmaschine in die Fräse eingebaut und die Platine der Fräse in die Drehmaschine.
Das Resultat war: Fräse läuft nicht und Drehmaschine läuft.
Was heißt, es kann die Platine nicht sein weil diese ja in der Drehmaschine funktioniert. Jetzt bin ich also bei diesem Posting angelangt, vielen Dank in diesem Sinne für den Input !!
(16.09.2019, 22:43)sepp222 schrieb: Bei meiner 11200 hatte ich das gleiche Problem.Einschalten und nur ein Klick.Habe die Leiterplatte kontrolliert,einige Bahnen
mit einem Kupferdraht verstärkt,die meisten Lötstellen nachgelötet.Aber der Hauptfehler war ein Temp.Sensor welcher im
Motor steckte,er hatte nur 1 Anschlusskabel.Nachdem ich im Vielfachstecker eine Brücke eingebaut habe welche den Sensor
ersetzt läuft die Maschine wieder ohne Thermoschutz.Habe den kaputten Sensor zerlegt,war nur ein Eisenkern mit dünner Kupferspule.Aber meine 750W Maschine wird nicht geschunden.
Hatte schnell ein Angebot für eine Elektronik und Motor.
Gruß Hans
@ Servus Hans
Wie hast du das jetzt genau gemacht, einfach beim Motorstecker die Anschlüsse 5 und 6 verbunden also kurzgeschlossen ?
Herbert1070 schrieb:Hallo Walter,
wenn du magst kannst du gerne zu mir in die Firma kommen mit der Leiterplatte. Wir können ja mal schauen ob wir was finden.
Du hast ja meine Nummer ruf mich bitte vorher an damit ich auch sicher in der Firma bin.
LG
Herbert
@Herbert
Auch dir vielen Dank für das Angebot, aber nachdem die Platine ja in Ordnung ist, werde ich dich nicht besuchen.
Vielen Dank euch allen !!
L.G.
Walter
|
|
| 17.09.2019, 09:42 |
|
walter
Filmadaptionen
    
Beiträge: 5.170
Registriert seit: Aug 2007
Bewertung:
384
Adresse: 1040 Wien
|
RE: Der Fehlerteufel hat wieder mal zugeschlagen, Wabeco Platine defekt !
Servus
Kleines Update.....
Habe nun den ganzen Fräskopf zerlegt um zu dem Wärmesensor zu gelangen.
Leider muss man dabei den Motor zerlegen.
Jetzt habe ich das nächste Problem, es sind hier Schrauben verbaut wo ich die Köpfe nicht zuordnen kann.
Hat denn einer von euch schon mal so einen Schraubenkopf gesehen und wenn ja wie ist der Suchbegriff dafür.
L.G.
Walter
|
|
| 17.09.2019, 11:16 |
|
deckel fp1
Junior Member

Beiträge: 39
Registriert seit: Nov 2012
Bewertung:
63
Adresse: 52353 düren
|
RE: Der Fehlerteufel hat wieder mal zugeschlagen, Wabeco Platine defekt !
Mahlzeit Walter, die schrauben sind eine Eigenentwicklung von AEG, und der passende Schraubendreher nennt sich ( Bundschraubendreher BUSD )
Siehe unteren Link
https://shop.seipp-gmbh.de/products/bund...sd-schwarz
Ich hoffe das ich dir damit ein wenig weiterhelfen konnte.
Gruß
Willi
Gruß
Willi
|
|
| 17.09.2019, 13:22 |
|
|